在学校各级领导关心支持下,在同学们踊跃参与下,经过前期预赛筛选,2016年10月16日40名选手经过上午、下午两场各四个小时的激烈角逐,圆满成功地结束了第二届黄河水院机械工程学院技能竞赛月阶梯轴配合件的车削加工项目的普通车工技能大赛。
本届普通车工技能大赛组织严密,呈现多个亮点。
一、本届技能大赛从一开始就得到机械工程学院领导高度重视,院领导在会议上多次强调要求举办一届更加出色精彩的普通车工技能大竞赛,并且机械工程学院朱焕立院长、张延副院长亲临现场关心慰问参赛选手,给参赛选手加油鼓励。

二、本届普通车工技能大赛参赛选手们个个都是我院精英学子,个个都能工巧匠,比赛更加激烈。从比赛过程中可以看出,选手们对普通车床的使用已经比较熟练,有的动作麻利,追求速度;有的则沉着冷静,力求保证精度。总体来看,大部分同学能够在四个小时的规定比赛时间内完成阶梯轴配合件的车削加工。



三、本届普通车工技能大赛裁判由机械工程学院普通车工实训教师和企业普通车工技师组成,裁判水平高,裁判员具有较高的实操经验和果断处理比赛中突发事故的能力,比赛期间裁判工作认真负责、一丝不苟,严格按照大赛规程进行实施,确保比赛赛事圆满完成。




四、本届技能大赛是为明年全国数控车技能大赛选拔人才,参赛选手之间竞争更加激烈,比赛中选手们争分夺秒,紧扣时间,力争在赛事规定时间内保质保量完成任务。

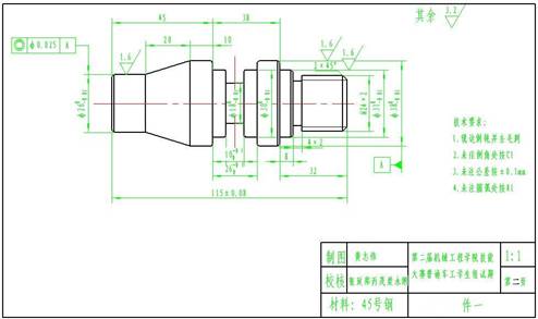
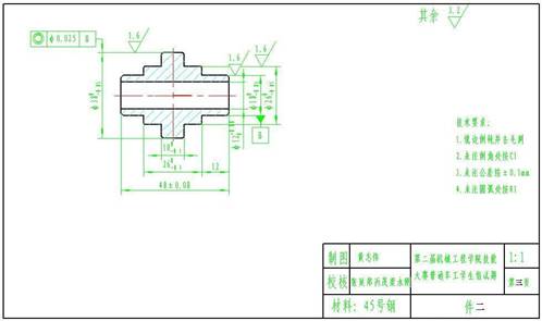
五、本届普通车工技能大赛赛题完全按照新国标法,最新的竞赛要求比赛,并且借鉴今年全国普通车工和数控车技能大赛试题,对工件精度级安全文明生产提高了要求,与全国大赛接轨。




六、本届普通车工技能大赛赛场纪律严格规范。本届技能月技能大赛采用抽签进行,现场抽取组别、车床号,参赛中不允许参赛选手互相借阅工具、量具。
以赛促学,以赛促教,以赛促进。竞赛让我院学生技能得到提高,竞赛让我院教学得到检验,竞赛也使得学生家长看到我院学生风采,也是对我院专业课老师水平能力一次检验。通过此届比赛我们既要看到学生取得的成绩,又要总结大赛经验和不足,为成功举办下届技能月普通车工大赛再接再厉。